Мета: Дослідним шляхом переконатися у справедливості законів послідовного з’єднання провідників.
Обладнання:
джерело постійного струму, два резистора з різним опором, амперметр, вольтметр,
з’єднувальні провідники.
Техніка безпеки: Приступати до виконання роботи можна тільки з дозволу
вчителя. Перед користуванням вимірювальними приладами вивчіть їх шкали і
допустимі межі вимірювання. Не допускайте перевищення допустимих для
відповідного приладу меж вимірювання. Складання електричного кола проводьте у
такій послідовності: починаючи від вимикача, з’єднуйте всі елементи, через які
протікатиме струм. Залишіть вільними провідники, які будуть під’єднуватися до
джерела струму. Складене електричне коло можна вмикати лише з дозволу вчителя.
Не дозволяється працювати з електроприладами у вологому одязі, братися за них
вологими руками. Якщо під час роботи виявлено несправності, негайно вимкніть
електроживлення і повідомте про це вчителя. Не працюйте з несправною і
аварійною апаратурою. Без дозволу вчителя не проводьте її ремонт. Після
закінчення роботи вимкніть джерело електроживлення, розберіть електричне коло,
приведіть в порядок робоче місце.
Теоретичні відомості.
При послідовному з’єднанні провідників їх з’єднують по черзі один за одним без розгалужень проводів
між ними.
При послідовному з'єднанні
провідників сила струму у всіх провідниках однакова:
Повна напруга в колі при
послідовному з'єднанні, або напруга на полюсах джерела струму, дорівнює сумі
напруг на окремих ділянках кола:
Загальний опір усієї ділянки кола
дорівнює сумі опорів
І. Вимірювання
сили струму на різних ділянках електричного кола.
2. За допомогою амперметра виміряйте силу струму на цій ділянці електричного кола
І1 = ___
3. Складіть електричне коло за схемою 2.
4. За допомогою амперметра виміряйте силу струму на цій ділянці електричного кола
І2 = ___
5. Складіть електричне коло за схемою 3.
6. За допомогою амперметра виміряйте силу струму на цій ділянці електричного кола
7. Порівняйте значення сили струму на різних ділянках
електричного кола і зробіть висновок.
|
|
|
|
|
|
|
|
|
|
|
|
|
|
|
|
|
|
|
|
|
|
|
|
|
|
|
|
|
|
|
|
|
|
|
|
|
|
|
|
|
|
|
|
|
|
|
|
|
|
|
|
|
|
|
|
|
|
|
|
|
|
|
|
|
|
|
|
|
|
|
|
|
|
|
|
|
|
|
|
|
|
|
|
|
|
|
|
|
|
|
|
|
|
|
|
|
|
|
|
|
|
|
|
|
|
|
|
|
|
|
|
|
|
|
|
|
|
|
|
|
|
|
|
|
|
|
|
|
|
|
|
|
|
|
|
|
|
|
|
|
|
|
|
|
|
|
|
|
|
|
|
|
|
|
|
|
|
|
|
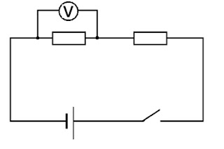
ІІ. Вимірювання
напруги на різних ділянках електричного кола.
2. За допомогою вольтметра виміряйте напругу на цій ділянці електричного кола
U1 =___
3 Складіть електричне
коло за схемою 5.
4. За допомогою вольтметра виміряйте напругу на цій ділянці електричного кола
5. Складіть електричне коло за схемою 6.
6. За допомогою вольтметра виміряйте напругу на цій ділянці електричного кола
7. Порівняйте значення напруги на різних ділянках
електричного кола, перевірте справедливість закону U=U1+U2
та зробіть висновки.
|
|
|
|
|
|
|
|
|
|
|
|
|
|
|
|
|
|
|
|
|
|
|
|
|
|
|
|
|
|
|
|
|
|
|
|
|
|
|
|
|
|
|
|
|
|
|
|
|
|
|
|
|
|
|
|
|
|
|
|
|
|
|
|
|
|
|
|
|
|
|
|
|
|
|
|
|
|
|
|
|
|
|
|
|
|
|
|
|
|
|
|
|
|
|
|
|
|
|
|
|
|
|
|
|
|
|
|
|
|
|
|
|
|
|
|
|
|
|
|
|
|
|
|
|
|
|
|
|
|
|
|
|
|
|
|
|
|
|
|
|
|
|
|
|
|
|
|
|
|
|
|
|
|
|
|
|
|
|
|
ІІІ. Дослідження
опору при послідовному з’єднанні.
1. Обчисліть опір на першій
ділянці електричного кола за формулою
|
|
|
|
|
|
|
|
|
|
|
|
|
|
|
|
|
|
|
|
|
|
|
|
|
|
|
|
|
|
|
|
|
|
|
|
|
|
|
|
|
|
|
|
|
|
|
|
|
|
|
|
|
|
|
|
|
|
|
|
|
|
|
|
|
|
|
|
|
|
|
|
|
|
|
|
|
|
|
|
|
|
|
|
|
|
|
|
|
|
|
|
|
|
|
|
|
|
|
|
|
|
|
|
|
|
|
|
|
|
|
|
|
|
|
|
|
|
|
|
|
|
|
|
|
|
|
|
|
|
|
|
|
|
|
|
|
|
|
|
|
|
|
|
|
|
|
|
|
|
|
|
|
|
|
|
|
|
|
|
2. Обчисліть опір на другій ділянці електричного кола за
формулою
|
|
|
|
|
|
|
|
|
|
|
|
|
|
|
|
|
|
|
|
|
|
|
|
|
|
|
|
|
|
|
|
|
|
|
|
|
|
|
|
|
|
|
|
|
|
|
|
|
|
|
|
|
|
|
|
|
|
|
|
|
|
|
|
|
|
|
|
|
|
|
|
|
|
|
|
|
|
|
|
|
|
|
|
|
|
|
|
|
|
|
|
|
|
|
|
|
|
|
|
|
|
|
|
|
|
|
|
|
|
|
|
|
|
|
|
|
|
|
|
|
|
|
|
|
|
|
|
|
|
|
|
|
|
|
|
|
|
|
|
|
|
|
|
|
|
|
|
|
|
|
|
|
|
|
|
|
|
|
|
|
|
|
|
|
|
|
|
|
|
|
|
|
|
|
|
|
|
|
|
|
|
|
|
|
|
|
|
|
|
|
|
|
|
|
|
|
|
|
|
|
|
|
|
|
|
|
|
|
|
|
|
|
|
|
|
|
|
|
|
|
|
|
|
|
|
|
|
|
|
|
|
|
|
|
|
|
|
|
|
|
|
|
|
|
|
|
|
|
|
|
|
|
|
|
|
|
|
|
|
|
|
|
|
|
|
|
|
|
|
|
|
|
|
|
|
|
|
|
|
3. Обчисліть загальний опір з’єднання за формулою
|
|
|
|
|
|
|
|
|
|
|
|
|
|
|
|
|
|
|
|
|
|
|
|
|
|
|
|
|
|
|
|
|
|
|
|
|
|
|
|
|
|
|
|
|
|
|
|
|
|
|
|
|
|
|
|
|
|
|
|
|
|
|
|
|
|
|
|
|
|
|
|
|
|
|
|
|
|
|
|
|
|
|
|
|
|
|
|
|
|
|
|
|
|
|
|
|
|
|
|
|
|
|
|
|
|
|
|
|
|
|
|
|
|
|
|
|
|
|
|
|
|
|
|
|
|
|
|
|
|
|
|
|
|
|
|
|
|
|
|
|
|
|
|
|
|
|
|
|
|
|
|
|
|
|
|
|
|
|
|
Експериментальне завдання:
Складіть електричне коло,
яке складатиметься із джерела струму, ключа та ніхромової дротини або дротини,
виготовленої з іншого матеріалу із великою питомою теплоємністю.
За допомогою амперметра та
вольтметра виміряйте силу струму І1 та напругу U1 на
дротині.
Зігніть дротину навпіл та
виміряйте силу струму І2 та напругу U2 на
дротині в цьому випадку. За результатами вимірювань дослідіть, як змінився опір
дротини.
|
|
|
|
|
|
|
|
|
|
|
|
|
|
|
|
|
|
|
|
|
|
|
|
|
|
|
|
|
|
|
|
|
|
|
|
|
|
|
|
|
|
|
|
|
|
|
|
|
|
|
|
|
|
|
|
|
|
|
|
|
|
|
|
|
|
|
|
|
|
|
|
|
|
|
|
|
|
|
|
|
|
|
|
|
|
|
|
|
|
|
|
|
|
|
|
|
|
|
|
|
|
|
|
|
|
|
|
|
|
|
|
|
|
|
|
|
|
|
|
|
|
|
|
|
|
|
|
|
|
|
|
|
|
|
|
|
|
|
|
|
|
|
|
|
|
|
|
|
|
|
|
|
|
|
|
|
|
|
|










Немає коментарів:
Дописати коментар